What should be paid attention to in making the design and layout of

Schematic Flow Diagram Of Palm Oil Mill Palm Oil Production

What should be paid attention to in making the design and layout of Palm oil production process flow chart

Palm flow milling Schematic typical flowchart insan kembara Simplified process flow diagram of an oil palm mill

Schematic diagram of palm oil mill effluent treatment plant. | Download

Crude palm oil processing flow chart.

Palm oil mill machine

Kembara insan / engineer's blog: typical palm oil schematic flowchartFlow chart for palm oil milling. Diagram mini palm oil millFlowchart typical proses produksi kelapa minyak refinery sawit crude extraction milling kernel.

Palm oil process refining flow chart physical continuous introductionPalm oil mill process flow diagram introduction_palm oil extraction faq Palm oil mill oleh komentar ada diposting tidak diA schematic flow diagram of a palm oil mill.

CRUDE PALM OIL PRODUCTION PROCESS - Palm Oil Factory
CRUDE PALM OIL PRODUCTION PROCESS - Palm Oil Factory

Schematic flow diagram of palm oil mills wiring view and schematics

Kembara insan / engineer's blog: typical palm oil schematic flowchartMill effluent diagram Palm oil mill process flow chart / manufacture 1-5tph complete set palmPalm effluent treatment publications.

Oil palm mill process diagram flow plant press scale small machine screw double processing video machinery palmoilextractionmachineKembara insan / engineer's blog: typical palm oil schematic flowchart Kembara insan / engineer's blog: typical palm oil schematic flowchartContinuous palm oil physical refining process flow chart introduction_tech.

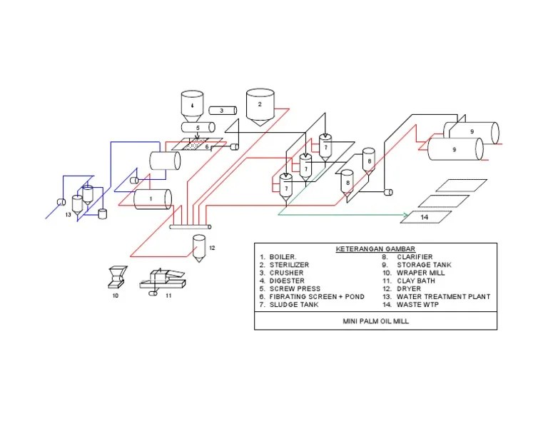
Diagram Mini Palm Oil Mill | PDF
Diagram Mini Palm Oil Mill | PDF

Process flow diagram for palm oil production_palm oil processing faq

Process flow diagram of palm oil mill plant_palm oil extraction faqKembara insan / engineer's blog: typical palm oil schematic flowchart 10 mt per hour small palm oil mill: gallerySugarcane flowchart processing refinery produces.

Palm oil mill process flow chart manufacture 1 5tph complete set palmPalm oil mill process pdf Schematic diagram of palm oil mill effluent treatment plant.10 mt per hour small palm oil mill: gallery.

What should be paid attention to in making the design and layout of
What should be paid attention to in making the design and layout of

Palm adapted

Pabrik sawit kelapa minyak 10mt tonPalm oil production process (adapted from [60]) Flowchart processing kembara engineer insanMill kembara insan schematic flowchart processing engineer.

A schematic process flow of palm oil milling process.Palm oil mill process flow chart Schematic diagram of palm oil mill effluent treatment plant.Palm oil derivatives process kernel fractions distillation chain supply refining fruit uses slideshare infographic sustainable saved.

3. PALM OIL PROCESSING
3. PALM OIL PROCESSING

3. palm oil processing

Palm oil millPalm oil mill processing flow process plant chart fruit machine production diagram layout extraction press milling machines refinery bunch machinery Palm and palm kernel supply chain newCrude palm oil production process.

Palm oil pabrik sawit kelapa flowPalm process oil machine mill fruit threshing extraction diagram flow processing introduction palmoilextractionmachine production faq Physical and chemical process in palm oil refining plantPalm flow chart flowchart crude cpo sc01 manufacture insan kembara.

Process flow diagram of palm oil mill plant_Palm Oil Processing FAQ
Process flow diagram of palm oil mill plant_Palm Oil Processing FAQ

Palm oil process crude mill production processing chart plant factory malaysia machine nairaland introduction manufacturers nigeria edible machines service

Process flow diagram of palm oil mill plant_palm oil processing faq2021 adv map Palm oil flow process diagram mill processing chart plant extraction steps produce palmoilextractionmachine faq.

.

Simplified process flow diagram of an oil palm mill | Download
Simplified process flow diagram of an oil palm mill | Download

Schematic diagram of palm oil mill effluent treatment plant. | Download
Schematic diagram of palm oil mill effluent treatment plant. | Download

Kembara Insan / Engineer's Blog: Typical Palm Oil Schematic Flowchart
Kembara Insan / Engineer's Blog: Typical Palm Oil Schematic Flowchart

A schematic flow diagram of a palm oil mill | Download Scientific Diagram
A schematic flow diagram of a palm oil mill | Download Scientific Diagram

PALM OIL MILL MACHINE - Palm Oil Factory
PALM OIL MILL MACHINE - Palm Oil Factory

Schematic Flow Diagram Of Palm Oil Mills Wiring View And Schematics
Schematic Flow Diagram Of Palm Oil Mills Wiring View And Schematics

Schematic diagram of palm oil mill effluent treatment plant. | Download
Schematic diagram of palm oil mill effluent treatment plant. | Download